Замена линейного подшипника Open (fi 10mm) - SME10GUU

admin | 10.12.2025

3D Предпросмотр

Загрузка 3D модели...

ЛКМ: Вращение | Колесо: Зум | ПКМ: Перемещение

Галерея (6)

(0) 69 41

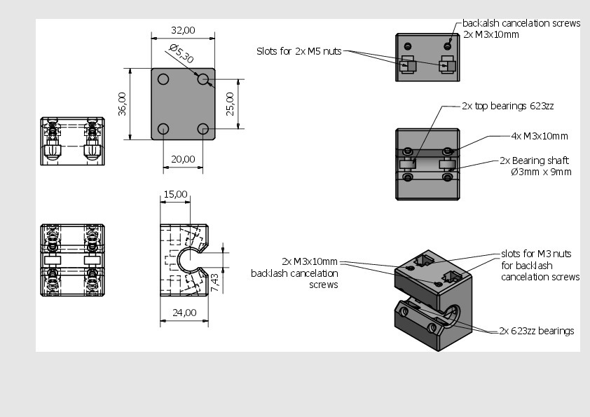
Описание модели: Данная 3D-модель представляет собой замену линейного подшипника, разработанную для обеспечения надежной работы и улучшенной стабильности.

Назначение: Модель предназначена для использования в различных механизмах, где требуется высокая точность перемещения.

Особенности конструкции:

  • Основана на популярном роликовом подшипнике 623zz (3mm x 7mm x 3mm).
  • Состоит из 6 подшипников 623zz, 8 винтов M3x10 с потайной головкой, 2 валов диаметром 3mm и длиной 9mm, 4 гайки M5 и 4 гайки M3.

Рекомендации по печати: Рекомендуется печатать с заполнением не менее 50% для достижения оптимальной прочности модели.

Категория

Для добавления комментариев необходимо войти.

Информация
  • Автор: admin
  • Дата: 10.12.2025
  • Категория: Разное
  • Просмотров: 69
  • Загрузок: 41
  • Лайков: 0
  • Изображений: 6
  • Файлов: 2

Скачать ZIP
Автор модели
A
admin
На сайте с: 2025
18100
Моделей
892629
Скачиваний
Все модели автора