3D Печатаемая Задвижка для Дверей

admin | 11.03.2026

3D Предпросмотр

Загрузка 3D модели...

ЛКМ: Вращение | Колесо: Зум | ПКМ: Перемещение

Галерея (4)

(0) 28 38

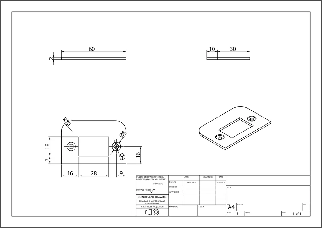
3D Печатаемая Задвижка для Дверей — это замена стандартной задвижки, предназначенная для установки на дверной раме.

Модель подходит для стандартного выреза в дверной раме и служит функциональной альтернативой в случае повреждения или отсутствия оригинальной металлической детали.

Характеристики:

  • Стандартный прямоугольный формат задвижки
  • Утопленные отверстия для винтов
  • Укрепленный участок для защелки
  • Минималистичный и чистый дизайн
  • Оптимизировано для FDM печати

Рекомендации по печати:

  • Материал: Рекомендуется PETG, ABS, ASA или нейлон (PLA не рекомендуется для длительного использования в теплых условиях)
  • Высота слоя: 0.2 мм
  • Заполнение: 60–100% для прочности
  • Периметры: Не менее 4 стенок
  • Ориентация: Печать на плоской стороне для максимальной прочности слоев

Важно:

  • Рекомендуется только для внутренних дверей
  • Не предназначена для внешних или высокозащищенных дверей
  • Финальная прочность зависит от выбора материала и настроек печати

Эта модель идеально подходит для быстрого замещения, индивидуальной толщины или как альтернатива стандартной металлической задвижке.

Для добавления комментариев необходимо войти.

Информация
  • Автор: admin
  • Дата: 11.03.2026
  • Категория: Искусство и Дизайн
  • Просмотров: 28
  • Загрузок: 38
  • Лайков: 0
  • Изображений: 4
  • Файлов: 3

Скачать ZIP
Автор модели
A
admin
На сайте с: 2025
18100
Моделей
980791
Скачиваний
Все модели автора