Держатель для зонта в автомобиле

admin | 01.12.2025

3D Предпросмотр

Загрузка 3D модели...

ЛКМ: Вращение | Колесо: Зум | ПКМ: Перемещение

Галерея (8)

(0) 24 48

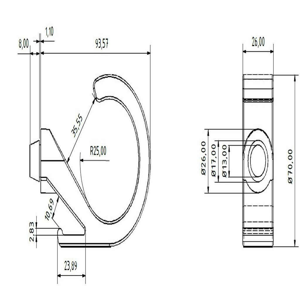
Этот 3D-модель предназначена для создания держателя для зонта в багажнике автомобиля. Она подходит для автомобилей, имеющих два 13мм отверстия, например, BMW Z4 E85 Facelift 2.5i.

Установка:

  • Распечатайте модель на 3D-принтере.
  • Закрепите держатель в отверстиях в багажнике.
  • Поместите зонт вертикально в держатель.
  • Используйте дополнительные элементы для крепления.

Обратите внимание, что мокрый зонт может сделать ваш багажник влажным.

Пожалуйста, оставьте отзывы для улучшения модели.

Скачать все файлы в одном архиве:

Скачать архив (ZIP)

Список отдельных файлов:

  • Z4_Regenschirmhalter_v2_1.stl Тип: .stl | Размер: 0.32 MB
    Скачать
  • Z4_Regenschirmhalter_v2_1.stp Тип: .stp | Размер: 0.12 MB
    Скачать
  • Z4_Regenschirmhalter_v2.stl Тип: .stl | Размер: 0.33 MB
    Скачать
  • Z4_Regenschirmhalter_v2.stp Тип: .stp | Размер: 0.11 MB
    Скачать
  • Z4_Regenschirmhalter.stl Тип: .stl | Размер: 0.27 MB
    Скачать

Для добавления комментариев необходимо войти.

Информация
  • Автор: admin
  • Дата: 01.12.2025
  • Категория: 3D Печать
  • Просмотров: 24
  • Загрузок: 48
  • Лайков: 0
  • Изображений: 8
  • Файлов: 5
Скачать ZIP