Электрический мотор 2

admin | 10.12.2025

3D Предпросмотр

Загрузка 3D модели...

ЛКМ: Вращение | Колесо: Зум | ПКМ: Перемещение

Галерея (20)

(0) 79 108

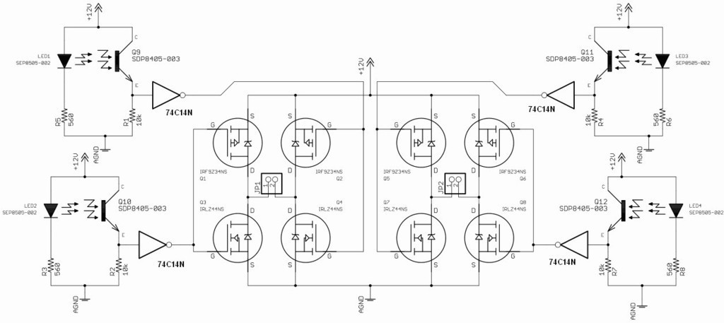
Описание модели: Электрический мотор, созданный из печатной платы, 3D-печатных компонентов, 44 магнитов и стальных шайб, а также электронных компонентов для схемы привода. Модель позволяет добиться максимальной мощности около 600 мВт и скорости около 2000 об/мин.

Применение: Используется для создания функциональных электромеханических устройств, которые могут выполнять полезные задачи.

Особенности конструкции: Мотор имеет открытый исходный код для генерации индивидуальных шаблонов катушек и поддерживает экспорт файлов в форматах KiCad и EAGLE. Конструкция позволяет пользователям изготовить мотор с использованием 3D-принтера.

Рекомендации по печати: Печатайте по 2 экземпляра каждого STL-файла. Учтите, что размеры STL-файлов указаны в дюймах. Вам также потребуется печатная плата для катушки. Рекомендуется использовать 44 магнита диаметром 1/4 дюйма и длиной 1/8 дюйма. Мотор работает при напряжении от 9 до 12 В, но необходимо следить за перегревом катушки при длительной работе.

Для добавления комментариев необходимо войти.

Информация
  • Автор: admin
  • Дата: 10.12.2025
  • Категория: Мода и Аксессуары
  • Просмотров: 79
  • Загрузок: 108
  • Лайков: 0
  • Изображений: 20
  • Файлов: 8

Скачать ZIP
Автор модели
A
admin
На сайте с: 2025
18100
Моделей
881843
Скачиваний
Все модели автора