S.T.E.V.E - 3D Принтер с CoreXY кинематикой

admin | 10.12.2025

3D Предпросмотр

Загрузка 3D модели...

ЛКМ: Вращение | Колесо: Зум | ПКМ: Перемещение

Галерея (94)

(0) 59 447

S.T.E.V.E - это открытый, одноэкструдерный 3D принтер с объемом построения примерно 240 мм кубических и кинематикой CoreXY. Модель разработана для легкости модификации и сборки, с подробными инструкциями и минимальными требованиями к инструментам.

Основные характеристики:

  • Гантивая головка обеспечивает оптимальное выравнивание центра массы шагового двигателя для улучшения качества печати.
  • Рама изготовлена из стандартного 6 мм алюминиевого экструзионного профиля 2020, что упрощает сборку и возможность создания закрытого корпуса для печати экзотическими материалами.
  • Использует 5 шаговых двигателей NEMA 17, включая 13Ncm для экструзии и 4 45Ncm для движения по осям X, Y и Z.
  • Подогреваемая платформа из 6 мм алюминия с высокой теплопроводностью, оснащенная 330W силиконовым обогревателем.
  • Экструдер E3D v6 и Titan обеспечивают надежную и легкую печатающую головку.

Рекомендации по печати: Для достижения наилучших результатов рекомендуется использовать дрель и насадку 3.5 мм, а также обжимной инструмент для красных обжимных терминалов. Вся инструкция доступна в формате PDF и видеогидов.

Скачать все файлы в одном архиве:

Скачать архив (ZIP)

Список отдельных файлов:

  • PSU_Safety_Box_0.01.STL Тип: .STL | Размер: 0.19 MB
    Скачать
  • SSR_Lids_0.01.STL Тип: .STL | Размер: 0.01 MB
    Скачать
  • Extruder_Mount_0.01.STL Тип: .STL | Размер: 0.09 MB
    Скачать
  • SSR_Safety_Box_0.01.STL Тип: .STL | Размер: 0.06 MB
    Скачать
  • Y_Axis_8mm_Clamp_Small_0.01.STL Тип: .STL | Размер: 0.07 MB
    Скачать
  • PSU_rear_Mount_0.01.STL Тип: .STL | Размер: 0.05 MB
    Скачать
  • X_Gantry_Bearing_Clamp_-_LM8LUU_Version_0.01.STL Тип: .STL | Размер: 0.09 MB
    Скачать
  • Y_Axis_8mm_Shaft_Clamp_0.01.STL Тип: .STL | Размер: 0.11 MB
    Скачать
  • X_Gantry_Bearing_Clamp_0.01.STL Тип: .STL | Размер: 0.10 MB
    Скачать
  • XY_Stepper_Mount_Mirror_0.01.STL Тип: .STL | Размер: 0.15 MB
    Скачать
  • Gantry_Head_IGUS_Bearing_Holder_0.01.STL Тип: .STL | Размер: 0.12 MB
    Скачать
  • Gantry_Head_Belt_Gripper_0.01.STL Тип: .STL | Размер: 0.18 MB
    Скачать
  • Z_Axis_8mm_Shaft_Mount_0.01.STL Тип: .STL | Размер: 0.08 MB
    Скачать
  • XY_Stepper_Mount_0.01.STL Тип: .STL | Размер: 0.16 MB
    Скачать
  • Power_Supply_Safety_Box_Lid_0.01.STL Тип: .STL | Размер: 0.04 MB
    Скачать
  • Y_Axel_Spacer_0.01.STL Тип: .STL | Размер: 0.01 MB
    Скачать
  • Ramps_Mounting_Bracket_0.01.STL Тип: .STL | Размер: 0.06 MB
    Скачать
  • Y_axis_8mm_Shaft_Clamp_Mirror_0.01.STL Тип: .STL | Размер: 0.11 MB
    Скачать
  • Endstop_Clamp_thin_0.01.STL Тип: .STL | Размер: 0.05 MB
    Скачать
  • 40mm_fan_mount_0.01.STL Тип: .STL | Размер: 0.04 MB
    Скачать
  • XY_Idler_Bracket_0.01.STL Тип: .STL | Размер: 0.22 MB
    Скачать
  • Z_Axis_Stepper_Mount_0.01.STL Тип: .STL | Размер: 0.10 MB
    Скачать
  • Extruder_Carriage_0.01.STL Тип: .STL | Размер: 0.27 MB
    Скачать
  • Z_Axis_Lead_nut_mount_v5_0.01.STL Тип: .STL | Размер: 0.13 MB
    Скачать
  • 40mm_fan_mount_mirror_0.01.STL Тип: .STL | Размер: 0.04 MB
    Скачать
  • Z_Axis_Bearing_Mount_v4_0.01.STL Тип: .STL | Размер: 0.24 MB
    Скачать
  • SSR_Assembly_0.01.PDF Тип: .PDF | Размер: 0.04 MB
    Скачать
  • End_Stops_Assembly_0.01.PDF Тип: .PDF | Размер: 0.04 MB
    Скачать
  • XY_Idler_Assembly_0.01.pdf Тип: .pdf | Размер: 0.05 MB
    Скачать
  • Z_Axis_Assembly_0.01.pdf Тип: .pdf | Размер: 0.08 MB
    Скачать
  • Frame_Assembly_0.01.pdf Тип: .pdf | Размер: 0.21 MB
    Скачать
  • Control_Board_Assembly_0.01.pdf Тип: .pdf | Размер: 0.08 MB
    Скачать
  • Bed_Platform_Assembly_0.01.pdf Тип: .pdf | Размер: 0.13 MB
    Скачать
  • Power_supply_assembly_0.01.pdf Тип: .pdf | Размер: 0.05 MB
    Скачать
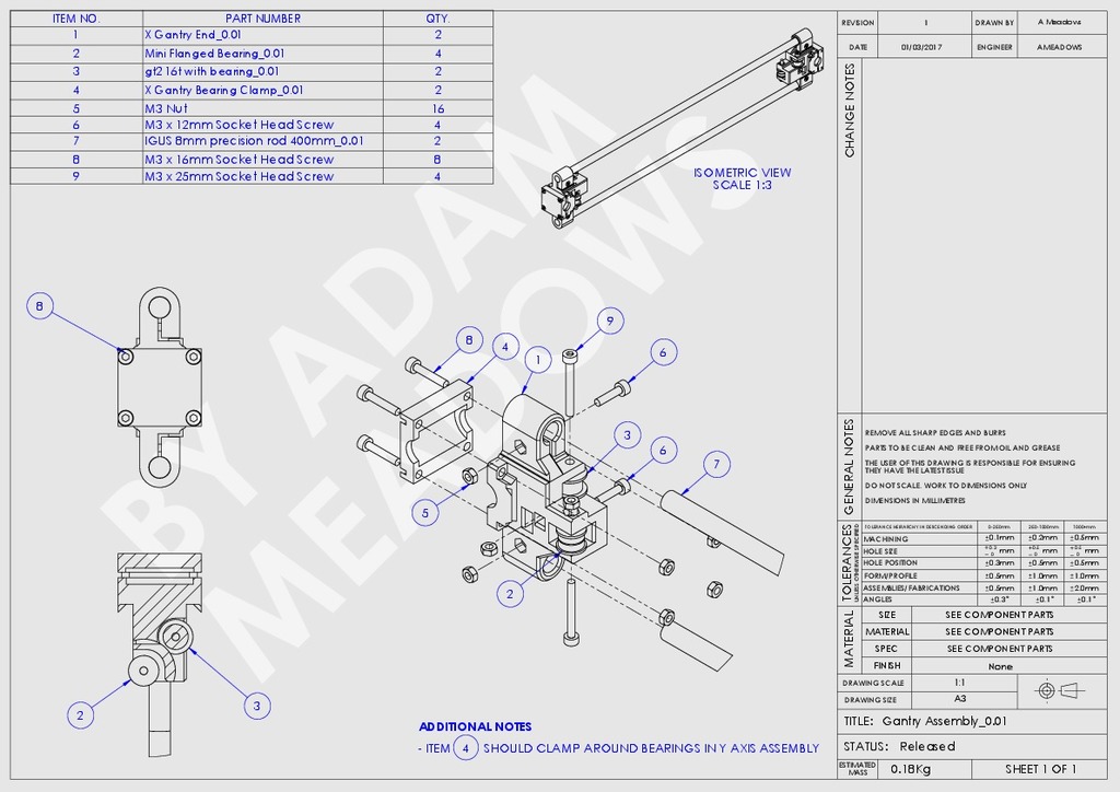
  • Gantry_Assembly_0.01.pdf Тип: .pdf | Размер: 0.07 MB
    Скачать
  • Y_Axis_Assembly_0.01.pdf Тип: .pdf | Размер: 0.11 MB
    Скачать
  • Gantry_Head_Assembly_0.01.pdf Тип: .pdf | Размер: 0.12 MB
    Скачать
  • PSU_Safety_Box_0.01.pdf Тип: .pdf | Размер: 0.22 MB
    Скачать
  • S.T.E.V.E_v0.01.pdf Тип: .pdf | Размер: 0.51 MB
    Скачать
  • S.T.E.V.E_v0.01.STEP Тип: .STEP | Размер: 50.98 MB
    Скачать
  • X_Gantry_Bearing_Clamp_0.2.STL Тип: .STL | Размер: 0.03 MB
    Скачать
  • X_Gantry_End_0.2.STL Тип: .STL | Размер: 0.23 MB
    Скачать
  • S.T.E.V.E_Marlin_Firmware_v0.2.zip Тип: .zip | Размер: 2.42 MB
    Скачать
  • Gantry_Head_LM8LUU_Bearing_Holder_0.2.STL Тип: .STL | Размер: 0.06 MB
    Скачать
  • X_Gantry_End_-_LM8LUU_0.2.STL Тип: .STL | Размер: 0.20 MB
    Скачать
  • X_Gantry_Bearing_Clamp_-_LM8LUU_0.2.STL Тип: .STL | Размер: 0.03 MB
    Скачать
  • Y_Axis_M3_8mm_Shaft_Mount_0.01.STL Тип: .STL | Размер: 0.11 MB
    Скачать
  • Electronics_Assembly_Instructions.PDF Тип: .PDF | Размер: 0.09 MB
    Скачать
  • Z_Axis_12mm_Shaft_Mount.STL Тип: .STL | Размер: 0.10 MB
    Скачать
  • Z_Axis_Bearing_Mount_LM12LUU.STL Тип: .STL | Размер: 0.21 MB
    Скачать
  • Z_Axis_Lead_nut_mount_for_use_with_LM12LUU.STL Тип: .STL | Размер: 0.11 MB
    Скачать
  • STEVE_Update_Parts.zip Тип: .zip | Размер: 0.28 MB
    Скачать

Для добавления комментариев необходимо войти.

Информация
  • Автор: admin
  • Дата: 10.12.2025
  • Категория: 3D Печать
  • Просмотров: 59
  • Загрузок: 447
  • Лайков: 0
  • Изображений: 94
  • Файлов: 52
Скачать ZIP